Toshiba TC78B011FTG CDMOS Linear IC
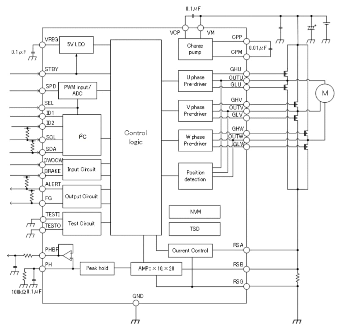
Toshiba TC78B011FTG CDMOS Linear IC is a 3-phase PWM chopper predriver for sensorless brushless motor. This linear IC is used with six external MOSFETs inverters that are used to operate sensorless brushless motors with a wide output range. The CDMOS TC78B011FTG motor speed can be controlled by an analog voltage, PWM duty cycle, and I2C. The TC78B011FTG IC realizes a closed-loop speed control function without an external microcontroller. This IC also comes with built-in closed-loop speed control with an adjustable speed curve. The TC78B011FTG IC is capable to drive Delta or Wye configured motors. This linear IC operates at a 5.5V to 27V operating range and an absolute maximum rating of 30V. The TC78B011FTG IC is applicable in fans, pumps, and portable vacuum motors.Features
- Sine-wave drive and sensorless PWM drive
- Capable to drive Delta or Wye configured motors
- Pre driver for high side and low side N-channel MOSFETs drive
- Built-in closed-loop speed control with adjustable speed curve
- Standby mode (by STBY pin)
- Current monitor output (PHBF pin)
- CW/CCW control (CWCCW pin)
- Brake input pin (BRAKE pin)
- Rotation speed output (FG pin)
- Abnormality detection output (ALERT pin)
- Thermal Shutdown (TSD)
- Under-Voltage Lockout (UVLO)
- Charge Pump Low Voltage Detection (CPVSD)
- Output Current Limit (OCP)
- Over-Current Detection (ISD)
Applications
- Fans
- Pumps
- Portable vacuum motors
Specifications
- 5.5V to 27V operating voltage (30V absolute maximum rating)
- 8 selectable levels of gate drive current
- Motor speed control by analog voltage, PWM duty cycle, or I2C
- I2C serial interface for various settings
- Lock protection
- QFN36 small package
Block Diagram
Application Circuit
Published: 2022-02-21
| Updated: 2022-04-14
