Texas Instruments TPS7H4011QEVM-CVAL Evaluation Module
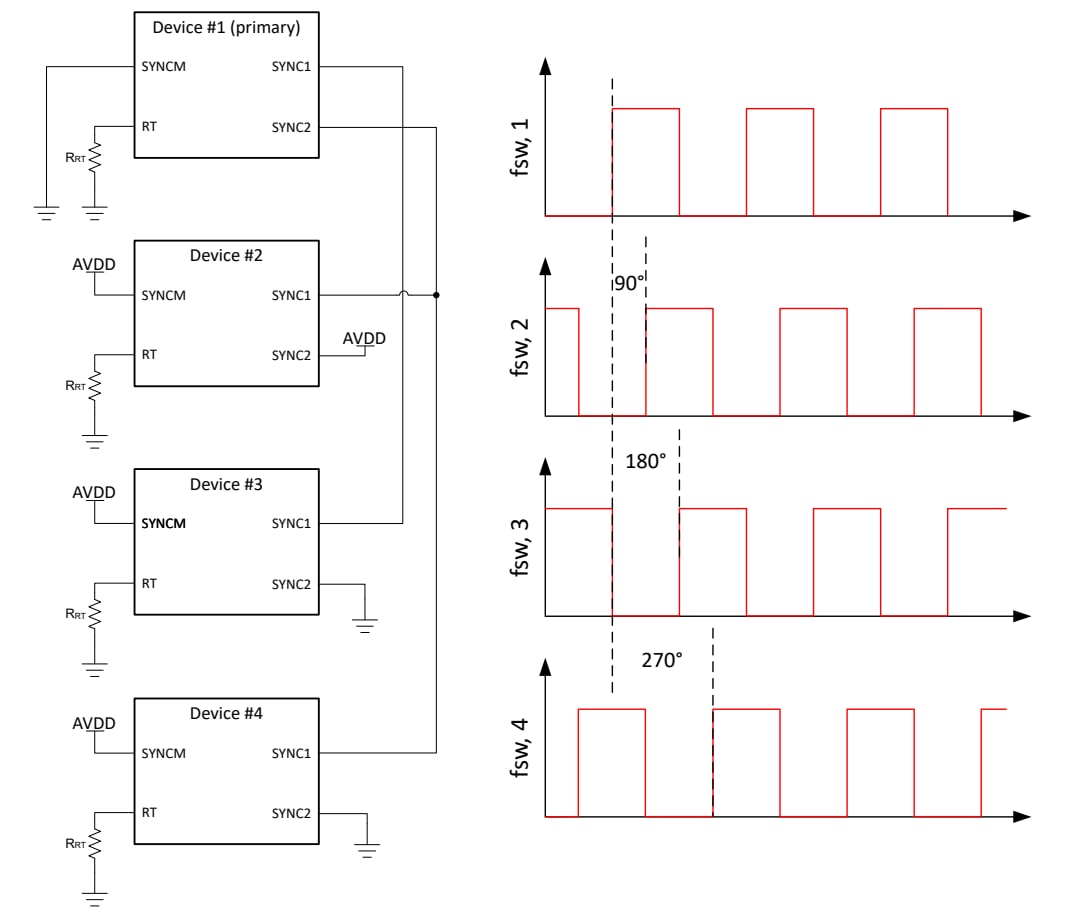
Texas Instruments TPS7H4011QEVM-CVAL Evaluation Module is designed to quickly and easily demonstrate the parallel, quadrature phase operation of four TPS7H4011-SP buck converters in a ceramic package. The TPS7H4011's wide voltage range enables it to be used as a point-of-load regulator to convert directly from a 12V or 5V rail.The TI TPS7H4011QEVM-CVAL supplies footprints that can be populated with additional components for testing custom configurations and test points for easy device arrangement, performance validation, and analysis.
Features
- Four-channel operation for up to 48A output current
- Input voltage range from 4.5V to 14V
- Selectable switching frequency
- High-current transient test circuit
- 0.6V ±0.67% voltage reference over line, temperature, and radiation
Applications
- Space satellite point of load supply
- Satellite electrical power systems (EPS)
- Communications payload
- Radar imaging payload
- Radiation-hardened power supplies
Simplified Schematic
Layout
Published: 2025-05-30
| Updated: 2025-06-05
