Texas Instruments TPS549A20 Synchronous Step-Down SWIFT™ Converter
Texas Instruments TPS549A20 Synchronous Step-Down SWIFT™ Converter is a small-sized (4.50mm x 3.50mm), synchronous buck converter with an adaptive on-time D-CAP3 control mode. The device offers ease-of-use and low bill-of-material count for space-conscious power systems. This converter features high-performance integrated MOSFETs, accurate 0.6V reference, and an integrated boost switch. Competitive features include very low external component count, fast load transient response, auto-skip mode operation, internal soft-start control, and no requirement for compensation. The device also features fault reports via PMBus to simplify the power supply design. A forced continuous conduction mode helps meet tight voltage regulation accuracy requirements for performance DSPs and FPGAs.Features
- Integrated SWIFT™ 9.9mΩ and 4.3mΩ MOSFETs, supports 15A continuous IOUT
- 1.5V to 20V (with snubber) wide conversion input voltage range
- Output voltage range from 0.6V to 5.5V
- Available PMBus adjustments
- Voltage margin and adjustment
- Soft-start time
- Power-on delay
- VDD UVLO level
- Fault reporting
- Switching frequency
- Supports all-ceramic output capacitors
- 600mV reference voltage with ±0.5% tolerance from -40°C to +85°C ambient temperature
- D-CAP3 control mode with a fast load-step response
- Hiccup over current protection
- Auto-skipping eco-mode for high light-load efficiency
- FCCM for tight output ripple and voltage tolerance requirements
- Pre-charged startup capability
- Eight selectable frequency settings from 200kHz to 1MHz via PMBus
- 4.5mm x 3.5mm, 28-pin, VQFN-CLIP package
Applications
- Servers
- Cloud-computing
- Storage
- Telecom and networking
- Point-of-Load (POL)
- IPCs
- Factory automation
- PLCs
- Test and measurement
- Performance DSPs and FPGAs
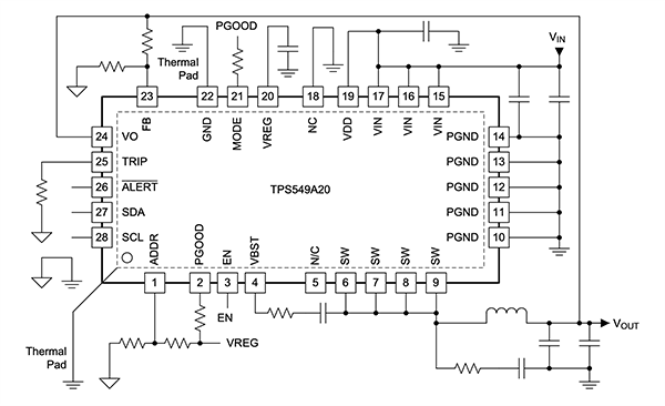
Simplified Application Circuit
Additional Resources
Published: 2016-01-12
| Updated: 2022-03-11
