Texas Instruments SNx4LVC74A/SNx4LVC74A-Q1 Flip-Flops

Texas Instruments SNx4LVC74A/SNx4LVC74A-Q1 Flip-Flops integrate two positive-edge triggered D-type flip-flops in one convenient device. The SN54LVC74A is developed for 2.7V to 3.6V VCC operation, and the SN74LVC74A is engineered for 1.65V to 3.6V VCC operation. The TI SNx4LVC74A-Q1 is AEC-Q100 qualified for automotive applications. The SNx4LVC74A-EP devices have gold bond wires, a temperature range of -55 to +105°C, and an SnPb lead finish.

Features

  • Qualified for automotive applications (SNx4LVC74A-Q1)
  • ESD protection exceeds 2000V per MIL-STD-883, Method 3015
  • Inputs accept voltages to 5.5V
  • Max tpd of 5.2ns at 3.3V
  • Typical VOLP (output ground bounce) <0.8V at VCC = 3.3V, TA = 25°C
  • Operates from 2V to 3.6V
  • Typical VOHV (output VOH undershoot) >2V at VCC = 3.3V, TA = 25°C
  • Latch-up performance exceeds 250mA per JESD 17
  • ESD protection exceeds JESD 22
    • 2000V human-body model (A114-A)
    • 1000V charged-device model (C101)

Applications

  • Servers
  • Medical, healthcare, and fitness
  • Telecom infrastructures
  • TVs, set-top boxes, and audio
  • Test and measurement
  • Industrial transport
  • Wireless infrastructure
  • Enterprise switching
  • Motor drives
  • Factory automation and control

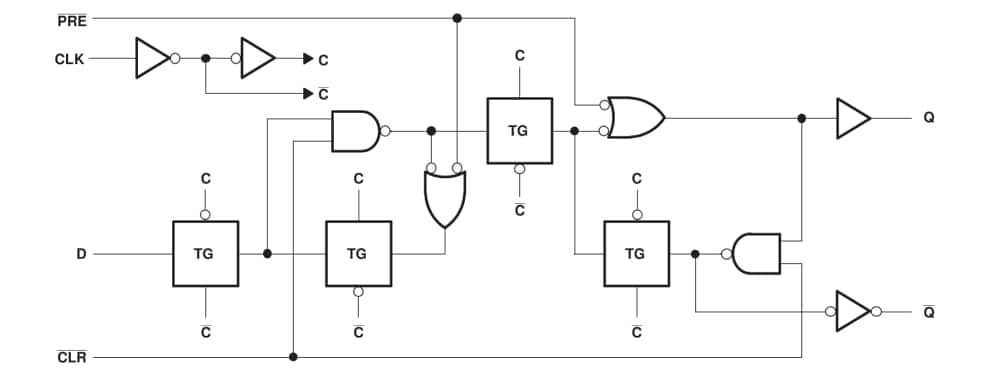
Logic Diagram, Each Flip-Flop (Positive Logic)

Location Circuit - Texas Instruments SNx4LVC74A/SNx4LVC74A-Q1 Flip-Flops
Published: 2024-07-23 | Updated: 2025-05-13