Texas Instruments SN74HCT139 Dual 2-to-4 Line Decoders/Demuxes
Texas Instruments SN74HCT139 Dual 2-to-4 Line Decoders/Demultiplexers are made of two individual 2-line to 4-line decoders in a single package. The active-low enable (G) input can be used as a data line in demultiplexing applications. The Texas Instruments SN74HCT139 decoders/demultiplexers feature fully buffered inputs, representing only one normalized load to its driving circuit.Features
- Operating voltage range of 4.5V to 5.5V
- Outputs can drive up to 10 LSTTL loads
- Low power consumption, 80µA (max.) ICC
- Typical tpd = 10ns
- ±4mA output drive at 5V
- A low input current of 1µA (max.)
- Inputs are TTL-voltage compatible
- Designed specifically for high-speed memory decoders and data-transmission systems
- Incorporate two enable inputs to simplify cascading and/or data reception
Applications
- Address decoding in memory systems
- Demultiplexing
- Signal routing
- Code conversion
- General logic operations
- High-speed applications
Additional Resources
- Application Note: Designing With Logic
- Application Note: Implications of Slow or Floating CMOS Inputs
- Application Note: Understanding and Interpreting Standard-Logic Data Sheets
- Application Note: Using High-Speed CMOS and Advanced CMOS in Systems With Multiple VCC
- Selection Guide: Logic Guide
- User Guide: LOGIC Pocket Data Book
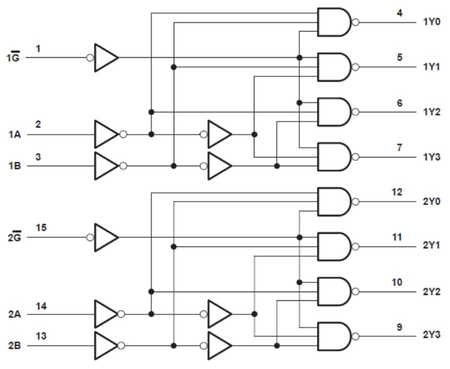
Funtional Block Diagram
Published: 2025-05-05
| Updated: 2025-05-08
