Texas Instruments SN74AVC32T245 Dual-Supply Bus Transceiver
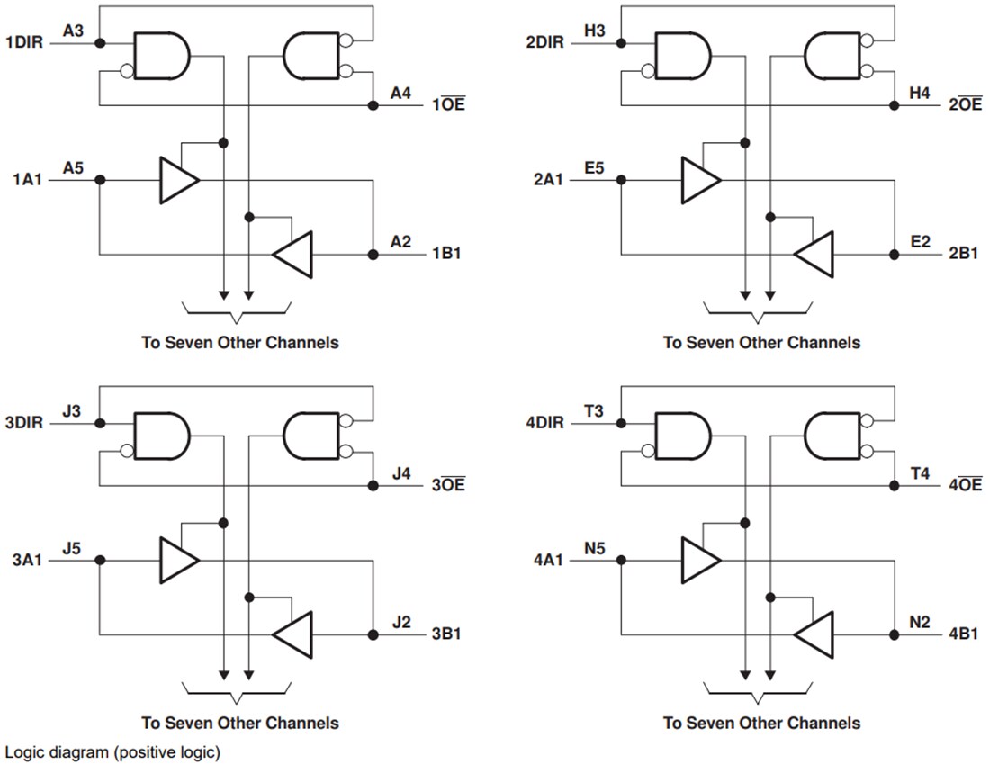
Texas Instruments SN74AVC32T245 Dual-Supply Bus Transceiver is a 32-bit non-inverting bus transceiver that uses two separate, configurable power-supply rails. The SN74AVC32T245 is optimized to operate with VCCA/VCCB set from 1.4V to 3.6V. It is operational with VCCA/VCCB as low as 1.2V. The A port is designed to track VCCA and accepts any supply voltage from 1.2V to 3.6V. The B port is designed to track VCCB and accepts any supply voltage from 1.2V to 3.6V. This feature allows universal low-voltage bidirectional translation between 1.2V, 1.5V, 1.8V, 2.5V, and 3.3V voltage nodes.The Texas Instruments SN74AVC32T245 is designed for asynchronous communication between data buses. The device transmits data from the A bus to the B bus or from the B bus to the A bus, depending on the logic level at the direction control (DIR) input. The output-enable (OE) input can disable the outputs so that the buses are effectively isolated. The SN74AVC32T245 is designed so that the control pins (1DIR, 2DIR, 3DIR, 4DIR, 1 OE, 2 OE, 3 OE, and 4 OE) are supplied by VCCA.
This device is fully specified for partial-power-down applications using Ioff. When powered down, the Ioff circuitry disables the outputs, preventing damaging current backflow through the device. The VCC isolation feature ensures that if either VCC input is at GND, then both ports are in the high-impedance state. OE should be tied to VCC through a pullup resistor to ensure the high-impedance state during power up or power down. The driver's current-sinking capability determines the minimum value of the resistor.
Features
- Member of the Texas Instruments Widebus+™ Family
- Control inputs VIH/VIL levels referenced to VCCA voltage
- VCC isolation feature – if either VCC input is at GND, both ports are in the high-impedance state
- Overvoltage-tolerant inputs/outputs allow mixed-voltage-mode data communications
- A fully configurable dual-rail design allows each port to operate over full 1.2V to 3.6V power supply range
- Ioff supports partial-power-down mode operation
- 4.6V tolerant I/Os
- Latch-up performance exceeds 100mA per JESD 78, Class II
- Max data rates
- 380Mbps (1.8V to 3.3V level-shifting)
- 200Mbps (< 1.8V to 3.3V level-shifting)
- 200Mbps (translate to 2.5V or 1.8V)
- 150Mbps (translate to 1.5V)
- 100Mbps (translate to 1.2V)
- ESD protection exceeds JESD 22
- 4000V human-body model (A114-A)
- 1000V charged-device model (C101)
Applications
- Personal electronics
- Industrial
- Enterprise
- Telecom
Functional Block Diagram
