Texas Instruments DRV2510-Q1 Automotive Haptic Driver
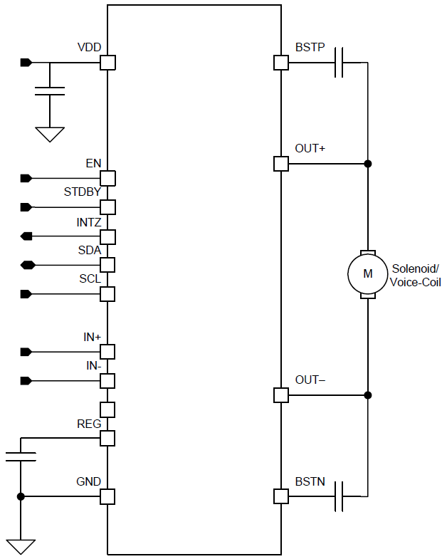
Texas Instruments DRV2510-Q1 Automotive Haptic Driver is specifically designed for inductive loads, such as solenoids and voice coils. The output stage consists of a full H-bridge capable of delivering 3A of peak current. The DRV2510-Q1 device provides protection functions such as under-voltage lockout, over-current, and over-temperature protection. The Texas Instruments DRV2510-Q1 device is automotive qualified. The integrated load-dump protection reduces external voltage clamp cost and size, and the onboard load diagnostics report the status of the actuator through the digital interface.Features
- Wide operating voltage (4.5V – 18V)
- Integrated load-dump protection (40V)
- High current drive (3A peak)
- Low RDS(on), full H-bridge output
- Integrated diagnostics
- Integrated fault protection
- 40V load dump protection per ISO-7637-2
- Short-circuit protection
- Over-temperature protection
- Over-voltage and under-voltage protection
- Fault reporting
- Analog input
- I2C communication
- Dedicated interrupt pin
- Qualified according to AEC-Q100 Grade 2
- –40ºC to 125ºC ambient temperature range
- ISO9000: 2002 TS16949 Certified
Applications
- Automotive haptic applications
- Infotainment
- Center-console
- Steering wheel
- Door-panel
- Seats
- Electromagnetic actuator driver
- Voice coil
- Solenoid
- Mechanical button replacement
Simplified Schematic
Published: 2017-03-06
| Updated: 2025-03-05
