Gigavac GX110 1000A Contactors
Gigavac GX110 1000A Contactors offer a 1000A current rating, 12VDC to 800VDC voltage range, and 100MΩ insulation resistance. These contactors feature a rugged EPIC® seal rated to +175°C, reducing the risk of fire or meltdown in overcurrent conditions. GX110 contactors are hermetically sealed and designed to meet UL 1604 for Class I and II, Division 2, and Class III for use in hazardous locations. Additional specifications include an IP67 rating for temporary water immersion for 30 minutes. Gigavac GX110 1000A Contactors have stainless steel nuts and mounting inserts for years of corrosion-free service.Features
- Rugged EPIC seal rated to +175°C
- Hermetically sealed
- Built-in coil suppression for all DC coils
- Stainless steel nuts and mounting inserts
- Not position sensitive
Specifications
- UL 1604 for Class I and II
- Division 2 and Class III for hazardous locations
- IP67 for temporary water immersion for 30 minutes
- SAE J1171 for external ignition protection
- ISO 8846 for protection against ignition around flammable gasses
- 0.3mΩ maximum contact resistance
- 20ms maximum operate time
- 20ms maximum release time
- 100MΩ insulation resistance
- -55°C to +85°C operating temperature range
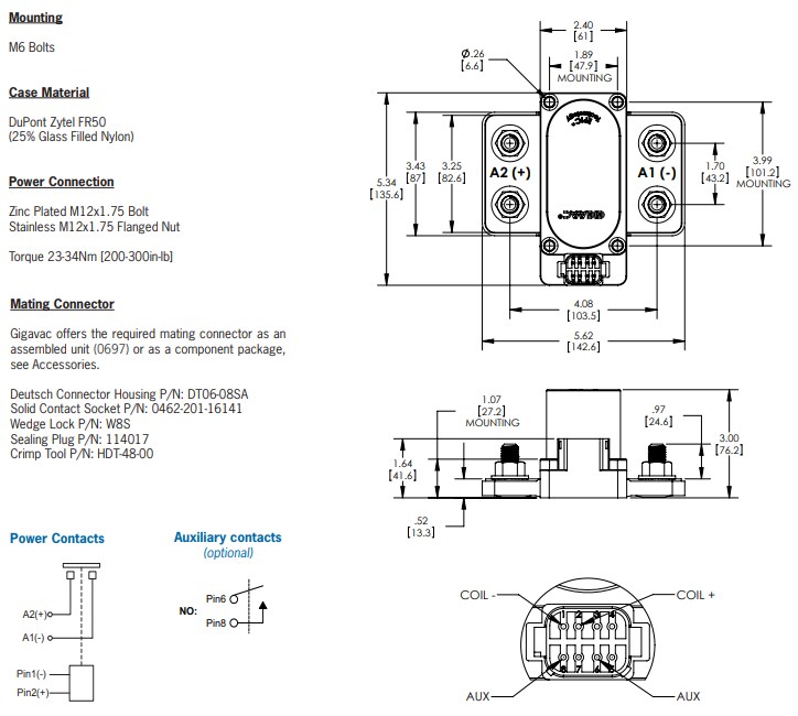
Dimensions
Published: 2024-11-25
| Updated: 2024-12-10
