ROHM Semiconductor BD9P Series Single 2.2MHz Buck DC-DC Converters
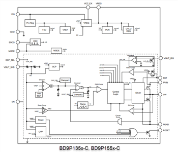
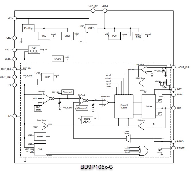
ROHM Semiconductor BD9P Series Single 2.2MHz Buck DC-DC Converters are current mode synchronous buck DC/DC converters integrating power MOSFETs. These converters feature protection against input Under-Voltage Lockout (UVLO), Thermal Shut Down (TSD), output over-voltage, and short circuit. The BD9P1x-C series buck DC-DC converters offer selectable spread-spectrum switching and external synchronization function. These DC-DC converters operate at 3.5V to 40V supply voltage range and -40°C to +125°C temperature range. ROHM Semiconductor BD9P Converters are suitable for automotive- and consumer-powered supplies.Features
- Nano pulse control™
- AEC-Q100 qualified
- Minimum on pulse 50ns(max)
- Synchronous buck DC/DC converter integrating POWER MOSFETs
- Soft-start function
- Current mode control
- Reset function
- Quiescent current 10μA(Typ) with 12V input to 5V output
- Light Load Mode (LLM)
- Forced Pulse Wide Modulation (PWM) mode
- Phase compensation included
- Selectable spread spectrum switching
- External synchronization function
- Selectable Over Current Protection (OCP)
- Input Under Voltage Lockout (UVLO) protection
- Thermal Shut Down (TSD) protection
- Output Over Voltage Protection (OVP)
- Short Circuit Protection (SCP)
Specifications
- 3.5V to 40V supply voltage range
- -40°C to +125°C operating temperature range
- 2.2MHz switching frequency
Applications
- Automotive-powered supplies
- Consumer-powered supplies
Applications
Videos
Published: 2021-01-04
| Updated: 2024-10-29
