Qorvo QPA2735 GaAs Low Noise Amplifier
Qorvo QPA2735 GaAs Low Noise Amplifier is a high-performance, low-noise amplifier operating in a 13GHz to 20GHz frequency range. This amplifier features a 25.5dB small signal gain, 18dBm power at 1dB compression, 1.3dB noise figure, and IMD3 levels of -60dBc (at Pout=0dBm/tone). The QPA2735 GaAs amplifier is available in a small 4mm x 4mm plastic overmold QFN package. This low-noise amplifier is ideal for satellite communications and point-to-point communications.Features
- 13GHz to 20GHz frequency range
- 1.3dB noise figure
- 25.5dB small signal gain
- 18dBm power at 1dB compression
- 23dBm saturation power
- -60dBc (@ Pout = 0dBm/tone) IMD3
- VD = 3.5V, IDQ = 105mA, VG = -0.46V bias
- Plastic over-mold package
- 4mm x 4mm x 0.85mm package dimensions
Applications
- Satellite communications
- Point-to-point communications
Functional Block Diagram
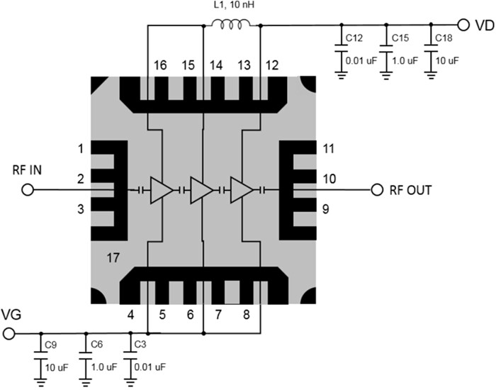
Application Circuit Diagram
Dimension Diagram
Published: 2025-07-03
| Updated: 2025-07-11
