Monolithic Power Systems (MPS) MPQ2166A Synchronous Buck Regulator

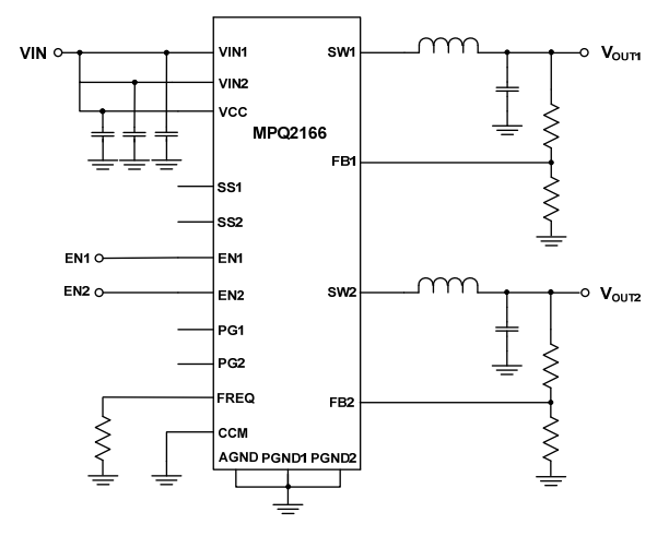
Monolithic Power Systems (MPS) MPQ2166A Synchronous Buck Regulator is an internally compensated, dual, PWM, synchronous, step-down regulator. The MPQ2166A operates from a 2.7V to 6V input and generates an output voltage as low as 0.6V. The MPQ2166 is configured as a 2A/2A or 3A/1A output current regulator. It's ideal for powering portable equipment that runs on a single-cell lithium-ion (Li+) battery due to a low 60µA quiescent current. The MPQ2166 integrates dual, 55mΩ, high-side switches and 20mΩ synchronous rectifiers for high efficiency without an external Schottky diode. The MPQ2166 has peak-current-mode control and internal compensation and is capable of low dropout configurations. Both channels can operate at 100% duty cycle.    

Features

  • 2.7V to 6V operating input range
  • 2A/2A or 3A/1A continuous current
  • 55mΩ/20mΩ RDS(ON)
  • Programmed frequency up to 3MHz
  • External sync clock up to 3MHz
  • 180° phase-shifted operation
  • Power Good (PG) indicators
  • External Soft Start (SS) and track
  • Adjustable advanced asynchronous mode (AAM) or forced continuous conduction mode (FCCM)
  • Peak efficiency >90%
  • Output adjustable from 0.6V to 5.5V
  • 100% duty cycle operation
  • 60µA quiescent current
  • Cycle-by-cycle over-current protection (OCP)
  • Short-circuit protection (SCP) with hiccup mode and valley current detection
  • Thermal shutdown
  • Available in QFN-18 (2mm x 3mm) and QFN18 (2.5mm x 3.5mm) packages
  • Available in a wettable flank package
  • Available in AEC-Q100 Grade-1

Applications

  • Automotive infotainment
  • Automotive clusters
  • Automotive telematics
  • Battery-powered devices
  • Portable instruments

TYPICAL APPLICATION

Monolithic Power Systems (MPS) MPQ2166A Synchronous Buck Regulator
Published: 2021-04-13 | Updated: 2022-12-21