Mikroe MUX click (MIKROE-3247)

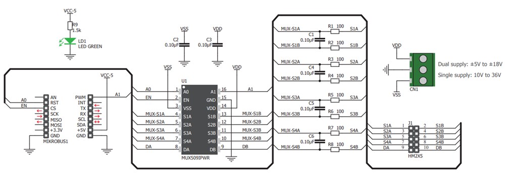
Mikroe MIKROE-3247 MUX Click is a Click board that switches one of the four differential inputs to one differential output. The Mikroe MUX Click employs the Texas Instruments MUX509 CMOS analog multiplexing IC. The MUX509 can be powered with both dual power supplies, ranging from ±5V to ±18V, and single power supplies, ranging from 10V to 36V. The rail-to-rail operation allows the input signal to swing up (and down) to the voltage of the power supply, with no distortion.

Features

  • Break-before-make switching action
  • Up to 2kV ESD protection 
  • Low on-resistance and low input current leakage
  • GPIO interface
  • 5V input voltage
  • M Click board size (42.9mm x 25.4mm)

Applications

  • Automatization and process control
  • Programmable logic controllers
  • Digital multimeters
  • Battery monitoring
  • Applications that require differential signal switching

Schematic

Schematic - Mikroe MUX click (MIKROE-3247)

Overview

Block Diagram - Mikroe MUX click (MIKROE-3247)
Published: 2019-01-02 | Updated: 2022-08-08