Mikroe MUX 2 Click (MIKROE-3245)
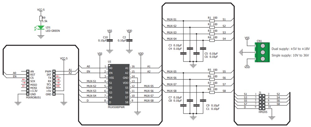
Mikroe MIKROE-3245 MUX 2 Click is a Click board that switches one of the eight inputs to one output. It uses the MUX508, a modern CMOS analog multiplexing integrated circuit, produced by Texas Instruments. This integrated circuit can be powered with both dual power supplies, ranging from ±5V to ±18V, and single power supplies, ranging from 10V to 36V. The device offers rail-to-rail operation, allowing the input signal to swing up (and down) to the voltage of the power supply, with no distortion. Features such as the break-before-make switching action, electrostatic discharge protection (ESD) up to 2kV, low on-resistance, and low input current leakage, make this circuit a solution for various switching applications, operating with both unipolar and bipolar signals.Features
- Break-before-make switching action
- Up to 2kV ESD protection
- Low on-resistance and low input current leakage
- GPIO interface
- 5V input voltage
- M Click board size (42.9mm x 25.4mm)
Applications
- Automatization and process control
- Programmable logic controllers
- Digital multimeters
- Battery monitoring
- Applications that require differential signal switching
Schematic
Overview
Published: 2019-01-02
| Updated: 2022-08-08
