MEAN WELL UHP-2500 2500W Switching Power Supplies

MEAN WELL UHP-2500 2500W Switching Power Supplies are low-profile (60mm), slim switching supplies with built-in active Power Factor Correction (PFC). MEAN WELL UHP-2500 features a fanless, conduction-cooled design and a full 90VAC to 264VAC input range. These 24V or 48V voltage output power supplies offer efficiency of up to 96% and operate over a -30°C to +70°C temperature range under air convection. UHP-2500 serves a wide variety of industrial applications.

Features

  • Slim and low profile (60mm)
  • Fanless and conduction-cooled design
  • Built-in active Power Factor Correction (PFC) function
  • Output voltage and constant current level programmable
  • Protections
    • Short circuit
    • Overload
    • Over-voltage
    • Over-temperature
  • Built-in remote ON-OFF control
  • DC OK active signal
  • Operating altitude up to 5000m
  • LED indicator for power on
  • Optional PMBus or CANBus protocol
  • 5-year warranty

Applications

  • Industrial automation machinery
  • Industrial control system
  • Mechanical and electrical equipment
  • Electronic instruments, equipment, or apparatus
  • Test and measurement instrument
  • Laser related machine
  • Charging related equipment
  • Household appliances

Specifications

  • 24VDC or 48VDC voltage
  • 52.1A or 104.2A rated current
  • 2500W rated power
  • 47Hz to 63Hz frequency range
  • -30°C to +70°C operating temperature range
  • Up to 96% efficiency

Videos

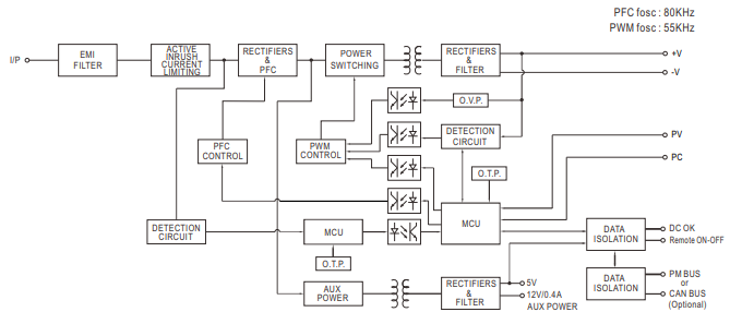
Block Diagram

Block Diagram - MEAN WELL UHP-2500 2500W Switching Power Supplies
Published: 2019-10-01 | Updated: 2026-03-05