Infineon Technologies TLS203B0LDV Demo Board

Infineon Technologies TLS203B0LDV Demo Board is designed to evaluate the TLS203B0, a low noise, micropower, and low dropout voltage regulator. This device can supply an output current of 300mA with a low dropout voltage of 270mV. The low quiescent current of 30μA makes it ideal for battery-powered systems. Infineon Technologies TLS203B0LDV Demo Board features an adjustable output voltage range of 1.22V to 12V and a wide input voltage range of 1.8V to 20V. Typical applications include infotainment, memory, CPUs, cameras, driver assistance systems, and more.

Features

  • Evaluates TLS203B0 voltage regulator
  • Low noise down to 24µV
  • Wide 1.8V to 20V input voltage range
  • Low 270mV dropout voltage
  • 1.22V to 12V adjustable output voltage
  • 300mA current capability
  • 30μA low quiescent current
  • Low <1μA shutdown current
  • Stable with ≥3.3μF output capacitor
  • PG-DSO-8 exposed pad and PG-TSON-10 exposed pad packages
  • AEC qualified
  • RoHS compliant

Applications

  • Infotainment
    • Cameras
    • Display supplies
  • Memory
  • CPUs
  • Driver assistance systems
    • Radars
    • Cameras
  • FPGA core supplies
  • High current post-regulators

Board Overview

Infineon Technologies TLS203B0LDV Demo Board

Schematic

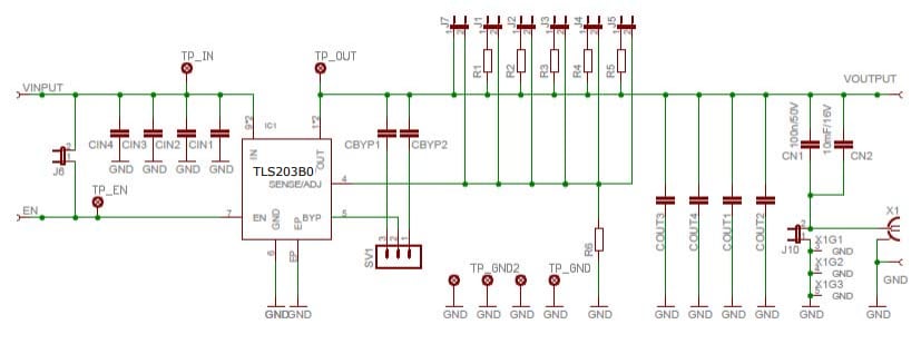
Schematic - Infineon Technologies TLS203B0LDV Demo Board
Published: 2019-12-10 | Updated: 2024-02-12