Infineon Technologies KIT_BTM9020/21 MOTIX™ BTM90xEP Arduino Shield

Infineon Technologies KIT_BTM9020/21 MOTIX™ BTM90xEP Arduino Shield is equipped with three MOTIX BTM9020EP and BTM9021EP full-bridge ICs and helps the user evaluate hardware/software functionality. The Infineon motor driver evaluation board includes an interface to the Arduino UNO. BTM9020EP operates via direct interface whereas BTM9021EP runs via SPI. Providing flexibility to designers, the board tests different features of the ICs.

Features

  • Equipped with three MOTIX BTM9020EP and BTM9021EP full-bridge ICs
  • Arduino UNO interface
  • Tests bi-directional rotation
  • 7V to 18V supply voltage range, 4.5V to 40V extended range 
  • 20A minimum current limitation
  • Up to 20kHz PWM operation
  • DC input
  • Full-bridge topology
  • AEC-Q100 qualified (Grade 1)
  • Adjustable slew rate at two levels
  • Half-bridge independent mode
  • Current sense for high side and low side
  • Better thermal conductivity, exposed pad
  • Flexible half-bridge control
  • Optimized EMC performance

Applications

  • Door/safe locks
  • Fuel/e-charging lids
  • Mirror folds
  • Door cinching latches
  • Trunk cinching latches
  • Body control modules

Overview

Block Diagram - Infineon Technologies KIT_BTM9020/21 MOTIX™ BTM90xEP Arduino Shield

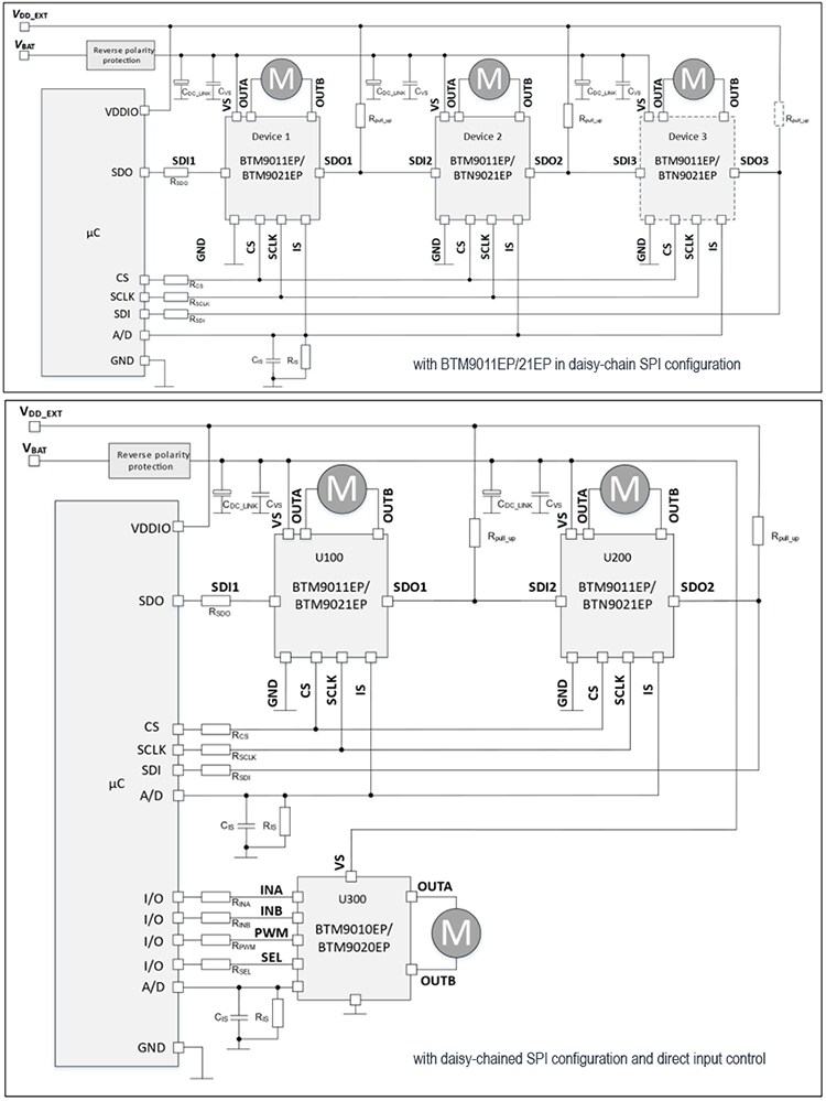
Applications Circuits

Application Circuit Diagram - Infineon Technologies KIT_BTM9020/21 MOTIX™ BTM90xEP Arduino Shield
Published: 2025-03-21 | Updated: 2025-04-08