Diodes Incorporated LXB0104Q Automotive Bi-Directional Level Shifters

Diodes Incorporated LXB0104Q Automotive 4-Bit Bi-Directional Level Shifters combines a buffered architecture and edge rate accelerators (one shots) to enhance the speed up to 100Mbps at 3.3V to 5.0V translation. The LXB0104Q is a universal level translator with port A operating from 1.2V to 3.6V (VCCA) and port B from 1.65V to 5.5V (VCCB). The level translating enables universal low-voltage bi-directional translation between any of the 1.2V, 1.5V, 1.8V, 2.5V, 3.3V, and 5V voltage nodes.

The Diodes Inc. LXB0104Q Bi-Directional Level Shifters are available in a TSSOP-14 and a 1.7mm x 2.0mm x 0.55mm U-QFN1720-12 (Type CJ) package, where U-QFN1720-12 (Type CJ). The package size is ideal for small, portable electronic devices, push-pull applications, and environments with limited space. The operation temperature is defined from -40°C to +125°C.

Features

  • Bi-directional voltage translation for push-pull applications
  • AEC-Q100 Grade 1
  • Specified from -40°C to +125°C
  • Translation up and down, across the full temperature range
    • Max data rate ≤110Mbps, CL = 15pF, 3.3V to 5.0V
    • Max data rate ≤65Mbps, CL = 15pF, 1.8V to 3.3V
    • Max data rate ≤30Mbps, CL = 15pF, 1.2V to 1.8V
  • IOFF circuitry provides partial-power-down mode operation
  • OE pin supports high impedance between ports
  • Auto direction, no control pin required
  • ESD protection exceeds JESD 22
    • 7000V HBM (Port B), 3000V HBM (Port A)
    • 1500V CDM (C101)
  • Latchup exceeds 100mA per JESD 17
  • Lead-free finish; RoHS compliant
  • Halogen and antimony-free “Green” device
  • For automotive applications requiring specific change control

Applications

  • GPIO, SPI, SDIO, UART
  • Automotive digital clusters
  • Automotive infotainments
  • Automotive ADAS
  • Automotive telematics

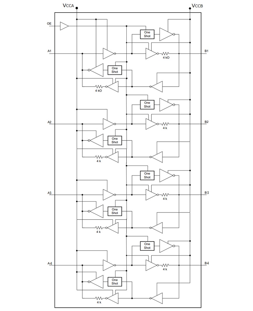
Block Diagram

Block Diagram - Diodes Incorporated LXB0104Q Automotive Bi-Directional Level Shifters

Pin Assignments

Mechanical Drawing - Diodes Incorporated LXB0104Q Automotive Bi-Directional Level Shifters
Published: 2025-10-21 | Updated: 2025-11-05